 |
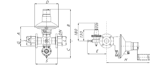
Регуляторы давления газа типа AR по заказу комплектуются предохранительно-запорными клапанами ZS/L, ZS/S и ZS/T.
|
|
 |
| | AR100 | AR150 | AR200 |
| Диапазон входного давления, МПа |
0,02–0,6 |
0,02–0,6 |
0,07–1,5 |
| Диапазон входного давления, МПа |
2-30 |
10-60 |
50-400 |
| Диапазон входного давления, МПа |
от –20 °C до +60 |
| Температура рабочей и окружающей среды, °С |
от –20 °C до +60 |
| Условный проход, Ду |
25 x 32 x 50 |
| Присоединение |
фланцевое |
Таблицы пропускной способности регуляторов
| Входное давление, МПа | Выходное давление, кПа |
| AR 100-DN25 | AR 150-DN25 | AR 200-DN25 |
| 2,0 | 5,0 | 10 | 20 | 30 | 10 | 20 | 40 | 60 | 50 | 100 | 150 | 200 | 300 | 400 |
| 0,02 |
65 |
55 |
45 |
|
|
45 |
|
|
|
|
|
|
|
|
|
| 0,05 |
112 |
106 |
102 |
110 |
90 |
102 |
110 |
80 |
|
|
|
|
|
|
|
| 0,075 |
145 |
138 |
135 |
145 |
140 |
135 |
145 |
120 |
80 |
90 |
|
|
|
|
|
| 0,1 |
165 |
163 |
160 |
180 |
170 |
160 |
180 |
180 |
160 |
160 |
|
|
|
|
|
| 0,15 |
170 |
175 |
180 |
190 |
210 |
180 |
190 |
220 |
250 |
235 |
185 |
|
|
|
|
| 0,2 |
170 |
175 |
180 |
190 |
210 |
180 |
190 |
220 |
250 |
245 |
265 |
210 |
|
|
|
| 0,3 |
170 |
175 |
180 |
190 |
210 |
180 |
190 |
220 |
250 |
245 |
280 |
330 |
330 |
|
|
| 0,4 |
170 |
175 |
180 |
190 |
210 |
180 |
190 |
220 |
250 |
245 |
330 |
380 |
480 |
370 |
|
| 0,6 |
170 |
175 |
180 |
190 |
210 |
180 |
190 |
220 |
250 |
245 |
330 |
410 |
505 |
545 |
610 |
| 0,8 |
|
|
|
|
|
|
|
|
|
245 |
330 |
410 |
505 |
680 |
855 |
| 1,0 |
|
|
|
|
|
|
|
|
|
245 |
330 |
410 |
505 |
680 |
855 |
| 1,2 |
|
|
|
|
|
|
|
|
|
245 |
330 |
410 |
505 |
680 |
855 |
| 1,5 |
|
|
|
|
|
|
|
|
|
245 |
330 |
410 |
505 |
680 |
855 |
| Входное давление, МПа | Выходное давление, кПа |
| AR 100-DN32 | AR 150-DN32 | AR 200-DN32 |
| 2,0 | 5,0 | 10 | 20 | 30 | 10 | 20 | 40 | 60 | 50 | 100 | 150 | 200 | 300 | 400 |
| 0,02 |
68 |
57 |
46 |
|
|
46 |
|
|
|
|
|
|
|
|
|
| 0,05 |
135 |
125 |
120 |
132 |
102 |
120 |
132 |
106 |
|
|
|
|
|
|
|
| 0,075 |
165 |
182 |
152 |
166 |
158 |
152 |
166 |
141 |
105 |
115 |
|
|
|
|
|
| 0,1 |
185 |
204 |
178 |
205 |
190 |
178 |
205 |
205 |
180 |
180 |
|
|
|
|
|
| 0,15 |
196 |
204 |
211 |
225 |
242 |
211 |
225 |
245 |
273 |
258 |
212 |
|
|
|
|
| 0,2 |
196 |
204 |
211 |
225 |
242 |
211 |
225 |
245 |
273 |
270 |
290 |
236 |
|
|
|
| 0,3 |
196 |
204 |
211 |
225 |
242 |
211 |
225 |
245 |
273 |
270 |
330 |
380 |
360 |
|
|
| 0,4 |
196 |
204 |
211 |
225 |
242 |
211 |
225 |
245 |
273 |
270 |
370 |
476 |
545 |
455 |
|
| 0,6 |
196 |
204 |
211 |
225 |
242 |
211 |
225 |
245 |
273 |
270 |
370 |
476 |
580 |
625 |
635 |
| 0,8 |
|
|
|
|
|
|
|
|
|
270 |
370 |
476 |
580 |
780 |
990 |
| 1,0 |
|
|
|
|
|
|
|
|
|
270 |
370 |
476 |
580 |
780 |
990 |
| 1,2 |
|
|
|
|
|
|
|
|
|
270 |
370 |
476 |
580 |
780 |
990 |
| 1,5 |
|
|
|
|
|
|
|
|
|
270 |
370 |
476 |
580 |
780 |
990 |
| Входное давление, МПа | Выходное давление, кПа |
| AR 100-DN50 | AR 150-DN50 | AR 200-DN50 |
| 2,0 | 5,0 | 10 | 20 | 30 | 10 | 20 | 40 | 60 | 50 | 100 | 150 | 200 | 300 | 400 |
| 0,02 |
155 |
121 |
102 |
|
|
102 |
|
|
|
|
|
|
|
|
|
| 0,05 |
281 |
268 |
260 |
287 |
216 |
260 |
287 |
188 |
|
|
|
|
|
|
|
| 0,075 |
367 |
359 |
351 |
394 |
356 |
351 |
394 |
346 |
331 |
276 |
|
|
|
|
|
| 0,1 |
446 |
441 |
433 |
495 |
465 |
433 |
495 |
494 |
482 |
411 |
|
|
|
|
|
| 0,15 |
644 |
624 |
624 |
728 |
652 |
624 |
728 |
694 |
678 |
621 |
456 |
|
|
|
|
| 0,2 |
678 |
712 |
750 |
805 |
882 |
750 |
805 |
961 |
1020 |
792 |
686 |
561 |
|
|
|
| 0,3 |
678 |
712 |
750 |
805 |
882 |
750 |
805 |
964 |
1075 |
1018 |
1062 |
962 |
812 |
|
|
| 0,4 |
678 |
712 |
750 |
805 |
882 |
750 |
805 |
964 |
1075 |
1018 |
1348 |
1328 |
1232 |
918 |
|
| 0,6 |
678 |
712 |
750 |
805 |
882 |
750 |
805 |
964 |
1075 |
1018 |
1348 |
1692 |
2035 |
1774 |
1540 |
| 0,8 |
|
|
|
|
|
|
|
|
|
1018 |
1348 |
1692 |
2035 |
2650 |
2335 |
| 1,0 |
|
|
|
|
|
|
|
|
|
1018 |
1348 |
1692 |
2035 |
2722 |
3250 |
| 1,2 |
|
|
|
|
|
|
|
|
|
1018 |
1348 |
1692 |
2035 |
2722 |
3250 |
| 1,5 |
|
|
|
|
|
|
|
|
|
1018 |
1348 |
1692 |
2035 |
2722 |
3250 |
|
|
|