Deprecated: preg_replace(): The /e modifier is deprecated, use preg_replace_callback instead in /var/www/vhosts/promgazenergo.kz/public_html/engine/modules/show.full.php on line 243 КТЗ 001 » Группа компаний "Промгазэнерго" ГРПШ ГРПБ ПУРГ ГРП ТКУ

КТЗ 001


 alt

Клапан КТЗ 001 автоматически перекрывает газовую магистраль при повышении температуры в помещении при пожаре.

Клапан КТЗ 001 снабжен затвором типа «металл по металлу», что обеспечивает его герметичность до температуры +900° С.

Клапаны КТЗ 001 выполнены полнопроходными, пригодны для всех типов газов и рассчитаны на давление 0,6 МПа для резьбового присоединения и 1,6 МПа для фланцевого присоединения.

Присоединительные размеры фланцевых КТЗ 001-02

Параметры, мм КТЗ 001 50-02 КТЗ 001 65-02 КТЗ 001 80-02 КТЗ 001 100-02 КТЗ 001 150-02 КТЗ 001 200-02
Ду, мм 50 65 80 100 150 200
D 160 180 195 215 280 335
D1 125 145 160 180 240 295
d 18 18 18 18 22 22
n 4 4 8 8 8 12
L 90 95 165 165 185 240
Масса, кг 6,1 8,4 11,5 15,2 23,5 38,5
alt

Присоединительные размеры резьбовых КТЗ 001

Параметры, мм КТЗ 001-15 КТЗ 001-20 КТЗ 001-25 КТЗ 001-32 КТЗ 001-40 КТЗ 001-50
Ду, мм 15 20 25 32 40 50
A 58 71 87 71 84 110
D 25 32 38 49,5 58 86
G ½" ¾" 1" 1¼" 1½" 2"
S 24 30 36 46 55 70
Масса, кг 0,19 / 0,21 0,31 / 0,41 0,5 / 0,6 0,45 / 0,55 0,6 / 0,8 1,5 / 1,6
alt
alt
alt

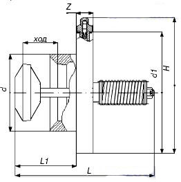
Присоединительные размеры межфланцевых КТЗ 001

Параметры, мм КТЗ 001-50 КТЗ 001-80 КТЗ 001-100 КТЗ 001-150 КТЗ 001-200 КТЗ 001-300 КТЗ 001-400 КТЗ 001-500
Ду, мм 50 80 100 150 200 300 400 500
d 50 76 98 148 190 290 380 355
d1 102 133 158 212 258 370 482 585
L 106 162 180 240 258 342 444 580
L1 41 69 79 116 134 208 259 240
Z 22 22 22 22 22 26 30
H 125 150 181 235 281 403 515 608
Ход 20 35 45 60 60 100 120 150
Масса, кг 1,8 2,7 4,0 10,5 16,0 50,0 96,0 150,0

Продукция

» Обогреватели

» Арматура трубопроводная промышленная

» Кондесатосборники

» Газоанализаторы

» Газорегуляторные пункты и установки

» Газорегуляторные пункты и установки с узлами учета расхода газа (ГРПШ)

» Предохранительные клапаны

» Регуляторы давления газа

» Соединительные детали и элементы трубопровода

» Транспортабельные (блочные) котельные установки ТКУ (БКУ)

» Устройства учета расхода газа

» Фильтры газовые

Запасные части к регуляторам